How to Optimize Efficiency with China Best Gas Purification By PSA Technology Solution: ALLY's Technical Guide

ALLY factory

Chengdu, Sichuan Jan 23, 2026 (Issuewire.com) - In the heart of a bustling industrial district, the silent hum of a refinery operations center signifies a delicate balance of chemistry and engineering. A plant manager oversees the stream of industrial gases, knowing that even the slightest impurity could compromise the quality of the final product or damage sensitive downstream equipment. In this high-stakes environment, the demand for high-purity hydrogen and nitrogen is constant.

This is where the implementation of China Best Gas Purification By PSA Technology Solution has become a transformative force. Pressure Swing Adsorption (PSA) technology serves as the lungs of modern industrial processing, selectively capturing impurities to deliver ultra-high purity gases. Whether it is refining high-grade fuels or supporting the manufacturing of semiconductors, gas purification by PSA technology solution provides the reliability and efficiency required to sustain modern infrastructure.

The Global Shift Toward Sustainable Gas Management and Hydrogen Integration

The international industrial landscape is currently undergoing a seismic shift. As nations strive to meet ambitious carbon neutrality targets, the role of hydrogen as a clean energy carrier has moved from a peripheral concept to a central pillar of global energy strategy. Across Europe and North America, massive investments are being funneled into hydrogen production and distribution networks. However, the production of hydrogen is only half the battle; the ability to purify this gas efficiently and cost-effectively is what determines its commercial viability.

In this context, China has emerged as a global powerhouse, not just in consumption, but in the technological advancement of gas separation. Chinese engineering firms have moved beyond simple manufacturing to become leaders in innovation. By optimizing adsorbent materials and refining the cycling sequences within PSA systems, China-based enterprises are setting new benchmarks for recovery rates and energy consumption. This contribution is vital for the global transition, as it lowers the barrier for industries to adopt cleaner gas solutions. The progress made in China's gas purification sector is now being exported globally, offering scalable and robust solutions to international partners who require high-performance gas treatment systems.

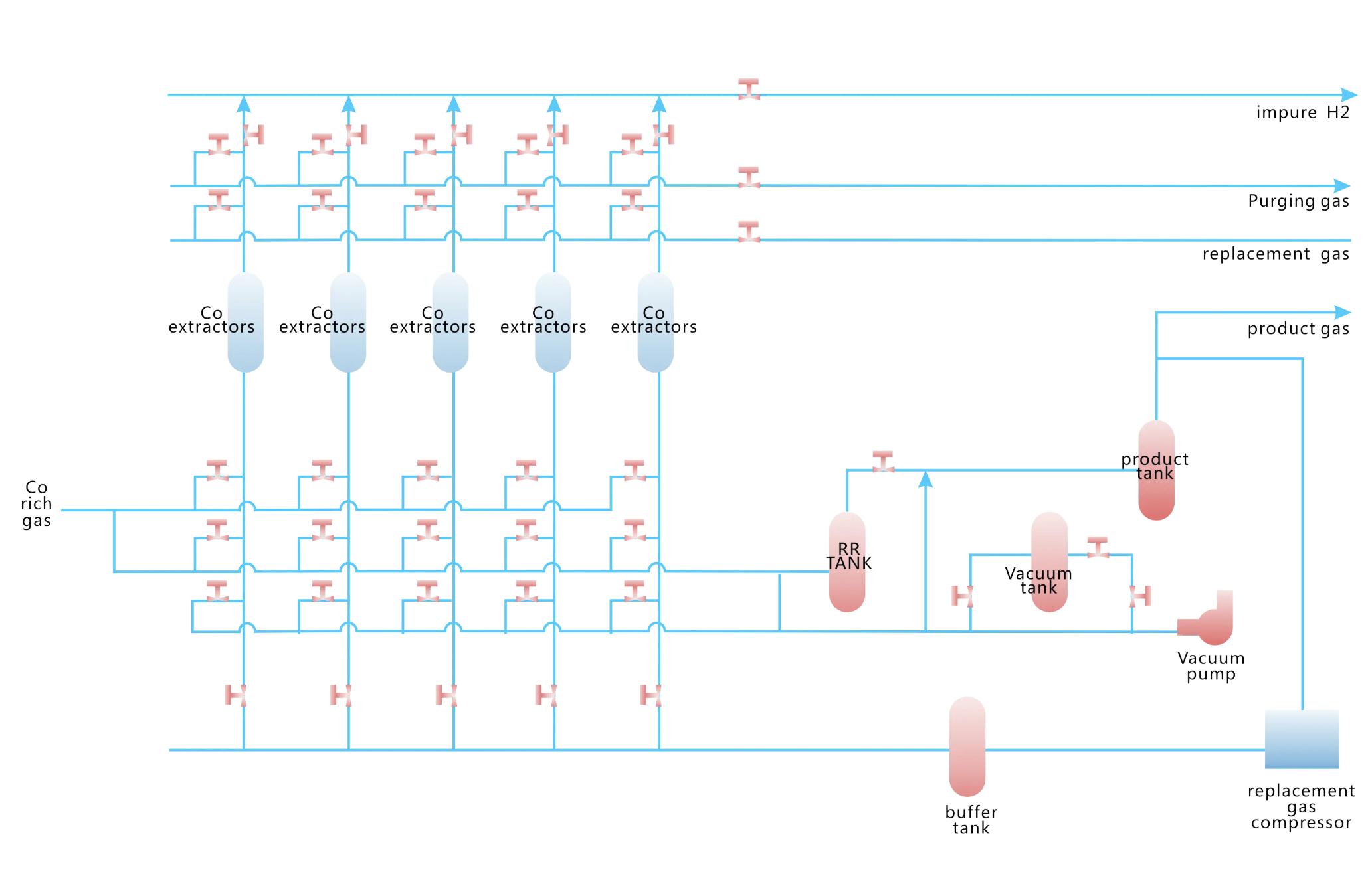
Unlocking Precision: The Mechanics of gas purification by PSA

At its core, gas purification by PSA relies on the physical properties of gases and their affinity for specific solid materials under varying pressures. Unlike traditional cryogenic separation, which requires extreme cooling, PSA operates at near-ambient temperatures, significantly reducing the energy footprint of the purification process. The technology utilizes adsorbent bedstypically filled with molecular sieves, activated carbon, or silica gelthat trap impurities such as CO, CO2, and CH4 while allowing the desired gas to pass through.

Ally Hydrogen Energy Co., Ltd. (formerly known as Ally Hi-Tech) has spent 25 years perfecting this science. Their approach to gas purification by PSA technology solution involves a deep understanding of thermodynamics and material science. By customizing the adsorbent layers within the PSA towers, they can tailor the system to handle diverse feedstocks, including steam reforming gas, refinery off-gas, and coke oven gas. This versatility ensures that regardless of the source, the output remains consistently pure, often exceeding 99.999%.

 More On Globalvoxpop ::

Engineering Excellence and Core Service Advantages

A technical solution is only as strong as the engineering and service framework that supports it. Ally Hydrogen Energy distinguishes itself through a comprehensive project lifecycle approach. As a professional complete hydrogen preparation supplier for several Fortune 500 companies, the enterprise focuses on delivering turnkey solutions. This includes initial feasibility studies, detailed engineering design, equipment fabrication, and on-site commissioning.

To further maximize operational efficiency, Allys gas purification by PSA technology focuses on three critical technical pillars:

  • Optimized Equalization Logic:Efficiency in a PSA system is largely dictated by how pressure is managed during the transition between adsorption and regeneration. Ally has developed proprietary equalization sequences that minimize the loss of product gas during depressurization. By recycling high-pressure gas from one adsorber to another, the system reduces the mechanical workload on compressors and ensures a higher hydrogen recovery rate, which is a direct boost to the plant's bottom line.
  • High-Performance Custom Adsorbents:The companys deep R&D roots have led to the creation of multi-layered adsorbent beds. Instead of a one-size-fits-all approach, Ally selects specific molecular sieves and activated carbons based on the molecular size and polarity of the impurities in the feed gas. This precision ensures faster adsorption-desorption cycles, allowing for more gas to be processed in a smaller footprint with lower energy expenditures.
  • Advanced Control Valve Technology:At the heart of every gas purification by PSA unit are the program-controlled valves. Ally utilizes high-reliability pneumatic flat valves characterized by their rapid action and superior sealing. These components are designed to withstand millions of cycles without leakage, drastically reducing downtime and maintenance costsa vital advantage for continuous industrial production.

Furthermore, the integration of intelligent control systems allows for real-time monitoring. Modern industrial plants require "set-it-and-forget-it" reliability. Allys systems utilize advanced PLC-based automation that adjusts cycle times in real-world conditions to maintain purity even when the composition of the feed gas fluctuates. Furthermore, their status as a technology-oriented and export-oriented enterprise is backed by more than 90 patents across the United States, the European Union, and China. This intellectual property portfolio represents decades of troubleshooting and refining gas purification by PSA technology to prevent common issues like adsorbent pulverization or valve leakage.

Proven Success: From Refinery Off-Gas to Green Hydrogen

The practical application of gas purification by PSA is best illustrated through successful project implementation. Throughout its history, Ally has completed over 700 sets of hydrogen production and purification units. A notable case involves the recovery of hydrogen from refinery off-gas for a major petrochemical complex. By implementing a multi-tower PSA configuration, the facility was able to recover high-purity hydrogen that was previously being flared, resulting in significant cost savings and a reduced carbon footprint.

Another significant area of impact is in the field of ammonia synthesis and methanol production. In these sectors, gas purification by PSA is used to remove carbon oxides that would otherwise poison the synthesis catalysts. Ally's expertise in handling complex gas mixtures has allowed them to participate in six national 863 projectsChina's prestigious high-tech development program. Their ability to draft national and international standards in the hydrogen field further underscores their role as an industry authority. These success stories demonstrate that effective gas purification by PSA is a critical component of industrial decarbonization and resource efficiency.

Conclusion: A Reliable Partner in Gas Transformation

Efficiency in the modern industrial era is no longer just about speed; it is about the intelligent use of resourcesand the elimination of waste. The implementation of high-quality gas purification by PSA technology is a fundamental step toward achieving these goals. By choosing a partner with a deep technical heritage and a proven track record, industries can ensure their operations are both sustainable and competitive.

Ally Hydrogen Energy Co., Ltd. continues to lead the way from its base in Chengdu, bridging the gap between advanced R&D and practical industrial application. With over a quarter-century of experience and a global footprint, they remain dedicated to providing the technical guides and robust systems necessary for the next generation of gas purification by PSA technology solution. For those seeking to optimize their gas processing efficiency and explore advanced hydrogen solutions, further information can be found at: https://www.ally-hydrogen.com/.

PSA Technology Solution

Media Contact

Ally Hydrogen Energy Co., Ltd.


[email protected]

+86 028 62590080

No. 201 Changcheng Road, Shuangliu District, Chengdu, 610000, P.R.China

https://www.ally-hydrogen.com/

Source :Ally Hydrogen Energy Co., Ltd.

This article was originally published by IssueWire. Read the original article here.

Popular news